トラスコ中山|TRUSCO NAKAYAMA マグネットキャッチ 樹脂製・横型 TSM75PBR
01月22日 11時01分更新
価格:103円 (税込) 送料別 
評価:0.0
レビュー:0件
楽天スーパーポイント1倍
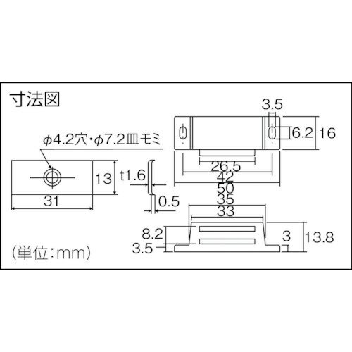
■シンプル構造で汎用性の高いマグネットキャッチです。
【仕様】・全長(mm): 50・幅(mm): 16+(2.8)・厚さ(mm): 13.8・吸着力(N): 35・取付ピッチ(mm): 42・色: 茶・受座有無: 有・受板用推奨サラねじ: 2.7mm・本体取付穴寸法: 3.5×6.2mm長穴【材質/仕上】・本体: ABS樹脂・受け金具: スチール・マグネットの種類: 等方性フェライト【セット内容/付属品】・受け金具