ステンレス鋼製玉付フック TY型 【TY-20】【TY-25】【TY-30】【TY-35】【TY-40】球状 ス...
11月15日 10時26分更新
価格:100円 (税込) 送料別 
評価:0
レビュー:0件
楽天スーパーポイント1倍
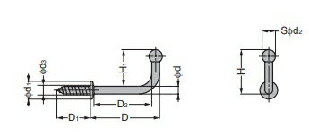
●フックの先端が球状なので、安心してご使用いただけます。
●フックを回しながらねじ込んで取り付けます。
材料: ステンレス鋼(SUS304) 仕上: 研磨 【TY-20】 D: 21.8 D1: 11 H: 14 d: 2.7 d1: 6.5 d2: 4.5 d3: 3.3 耐荷重N: 29.4 耐荷重kgf: 3 質量g: 1.5 【TY-25】 D: 27 D1: 13 H: 17 d: 3 d1: 7 d2: 5 d3: 3.9 耐荷重N: 29.4 耐荷重kgf: 3 質量g: 3 【TY-30】 D: 31.2 D1: 15 H: 20 d: 3.5 d1: 8 d2: 6 d3: 4.2 耐荷重N: 68.6 耐荷重kgf: 7 質量g: 5 【TY-35】 D: 36.5 D1: 20 H: 23 d: 4 d1: 9 d2: 6.5 d3: 4.8 耐荷重N: 68.6 耐荷重kgf: 7 質量g: 7 【TY-40】 D: 43.5 D1: 20 H: 27 d: 4.5 d1: 10 d2: 7.5 d3: 5.4 耐荷重N: 78.4 耐荷重kgf: 8 質量g: 11