MM ステンレス(SUS304)引き取手用化粧座金 引き取手φ6用 TOW-6
12月07日 21時57分更新
取手取付の際に是非
価格:101円 (税込) 送料別 
評価:0
レビュー:0件
楽天スーパーポイント1倍
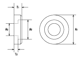
【ここがポイント!】
● 引き取手用の化粧座金です 【商品仕様】 A1 10mm A2 6.2mm A3 4.3mm T1 2.5mm T2 1.5mm 適用サイズ 引き取手φ6 材質 SUS304 連結金具 フックシリーズ ステンレス・アルミチェーン 類似商品はこちらMMステンレス(SUS304) 引き取手用化237円MMステンレス(SUS304) 引き取手用化180円MMステンレス(SUS304) 引き取手用化151円新着商品はこちら2025/12/6鶴巻刃物梅柳さつき鋏 150mm 刃物の町1,837円2025/12/5鶴巻刃物梅柳大久保鋏 165mm 刃物の町1,980円2025/12/5グリーンパルポリスコ先端金具付着脱式73,080円ショップトップ > カテゴリトップ > 連結金具 > セーフティーバー・取手ショップトップ > カテゴリトップ > 連結金具 > セーフティーバー・取手